Описание
С помощта на светодиодни ленти за стълби, можете да направите стълбището си много по-безопасно и същевременно да надстроите интериорния дизайн.
Този контролер за автоматично LED стълбищно осветление предоставя много възможности да експериментирате и настройвате ефектите, за да получите изключително внушителна атмосфера.
Многофункционален контролер за автоматична стълбищна светлина със сензор за осветеност
С модула можете лесно да осветите отделни стълби и стълбищни парапети едновременно с LED лента.
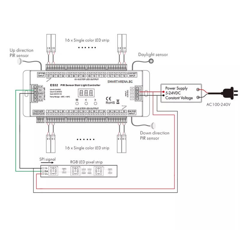
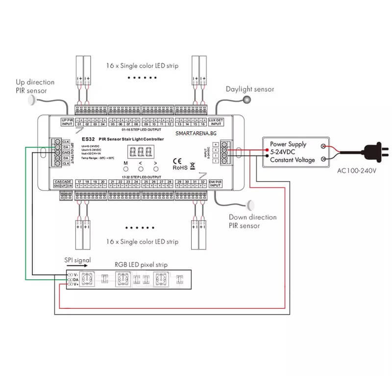
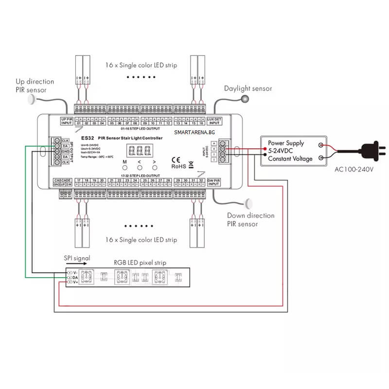
Един контролер ви позволява да контролирате до 32 стъпала (канала). Ако свържете втори контролер ES32 последователно, можете да контролирате до 64 стъпала.
Светодиодните ленти се активират с помощта на 2 броя PIR сензори за движение (включени в комплекта) или чрез електрически ключове, свързани паралелно. Единият PIR сензор се монтира в подножието (към първото стъпало) на стълбището, а вторият в края (последно стъпало) на стълбището.
Контролерът е оборудван и със сензор за здрач (осветеност) за превключване на осветлението според околната осветеност в диапазона 10-200 lux.
Възможности на модул за автоматично осветление с LED лента на стълбище
Лентово осветяване с до 32 DC изхода на индивидуални стълби (или 64 броя с два контролера ES32).
Инсталирането на контролера ES32 позволява каскадно осветление на стълбите. Светлината може да се включва стъпка по стъпка (секунда по секунда), по 5 наведнъж или всички стълби светват с 1 изгасващо стъпало, Това ви позволява да създадете много интересна светлинна анимация. Осветлението може да се включва и изключва плавно.
От бутоните на контролера (разположение върху корпуса) се извършват всички настройки по светлината и режимите.
ЗА СТЪЛБИ И ПАРАПЕТИ
Може да освети до 32 отделни стълби + парапет.
За стълбите се използва бяла LED лента. Изборът на цветна температура зависи изцяло от предпочитанията (2700К, 4000К или 6000К).
За парапета се използва RGB многцветна LED лента. Може да се настрои определен цвят: червен, оранжев, жълт, зелен, лилав, син, розов, бял. Има възможност да се избере режим за смяна на цветовете, преследване на цветовете, избледняване на цветовете и DIY (режим направи си сам).
ЗА ЕДНОЦВЕТНИ И ЦИФРОВИ RGB ЛЕНТИ
Възможност за управление както на класически монохромни ленти, така и на цифрови RGB ленти
Контролерът за две стълбищни светлини може да се свързва каскадно.
2 групи SPI(TTL) сигнален изход с поддръжка на 27 вида RGB LED лента, IC тип и RGB могат да бъдат включени.
Съвместими интегрални схеми: TM1803, TM1804, TM1809, TM1812, UCS1903, UCS1909, UCS1912, UCS2903, UCS2909, UCS2912, WS2811, WS2812, TM1829, TM1914A, GW6205, GS8206, GS8208, LPD6803, LPD1101, D705, UCS6909, UCS6912, LPD8803, LPD8806, WS2801, WS2803, P98.
СВЕТЛИННИ ЕФЕКТИ И РЕЖИМИ
Контролерът има функция за регулиране на скоростта на включване на осветлението от 1 до 8 степени.
Регулирането на интензитета на осветлението и времето за осветление, също е възможно. Настройва се според нуждите.
Вграден многоцветен режим и избор на четири режима на работна светлина.
ЦИФРОВ ДИСПЛЕЙ ЗА ЛЕСНА НАСТРОЙКА
Лесна настройка и работа чрез дисплей и 3 бутона.
Всички режими и настройки се извършват и запаметяват изключително лесно.
PIR СЕНЗОРИ И СЕНЗОР ЗА СВЕТЛИНА
Тези светодиодни стълбищни светлини, активирани със сензор за движение, се включват автоматично, когато приближавате най-горното или долното стъпало, и се изключват, когато няма движение пред тях.
Сензорите за движение се монтират в горната и долната част на стълбището и включват осветлението, когато се мине покрай тях. Сензорите за движение имат обхват от 1м до 3м.
Удължителният кабел за PIR сензорите се доставя с дължина 5м (може да се удължи до 15м).
Сензорът за светлина се доставя с дължина 5м (може да се удължи до 10м).
СМЯНА НА ПОЗИЦИИ НА СТЪПАЛАТА
От бутоните може да променяте номерациите на стъпалата.
Това предотвратява повторното свързване на всичко, ако е допусната грешка или настъпи повреда в изходния сигнал на някой от каналите.
НАСТРОЙКИ ПО ОСВЕТЛЕНИЕТО
След свързване и включване на захранването, настройките се извършват чрез бутоните върху корпуса.
Първо се настройва едноцветната LED лента.
Първата настройка, която трябва да се направи е на броя стъпала. Чрез стрелките “<” и “>” изберете броя стъпала и запаметете с бутона “М”.
Втората настройка е на яркостта на осветлението. Степените за яркост са от 1 до 8 (8ма степен е за 100% яркост). Изберете подходящата и запаметете с бутона “М”.
Третата настройка е режим на осветяване: осветяване 1 по 1 стъпало, осветяване по 5 стъпала или всички включени и 1 изключено. Изберете предпочитаната и запаметете с бутона “М”.
Четвъртата последна настройка е на скоростта. Степените са от 1 до 8, като 8ма степен е най-бързата. Изберете и запаметете с бутона “М”.
Настройка на многоцветната RGB лента за парапет.
Продължително натискане на бутон “М”. Режимът започва да мига – натиска се стрелката “>” и се избира режим “White Step + Color Flow Mode”. Налични са 12 броя ефекти за избор. Изберете предпочитаната и запаметете с бутона “М”
Характеристики на Контролен модул за стълбищно осветление с LED лента
| Модел | ES 32 Канален контролер за стълбищно осветление |
| Входно напрежение | 5-24 V DC |
| Изходящо напрежение | 32 х 5-24 V DC |
| Изходящ ток | 32 х 1 А на канал |
| Изходяща мощност | 32 х 5-24W на канал |
| Мощност на канал | 5W (при 5V) / 12W (при 12V) / 24W (при 24V) |
| Обща мощност | 160W (при 5V) / 384W (при 12V) / 768W (при 24V) |
| Тип изход | Постоянно напрежение + SPI (TTL) |
| Управление | Физически бутони и дисплей |
| Сертификати за съответствие | CE, RoHS |
| EMC стандарт | EN55032:2015, EN61000-3-2:2014, EN61000-3-2:2013, EN55024:2010/A1:2015 Стандарт за безопасност (LVD) EN 61347-1:2015 EN 61347-2-11:2015 |
| Сертификат за устойчивост | IP20 |
| Работна температура | – 30 ~ + 55 ℃ |
| Материал | Алуминий, Пластмаса |
| Размер на модул | 186 x 87 x 25 мм |
| Съдържание на пакета | Контролер ES32 – 1бр, Сензор за светлина с дължина 30 см – 1бр, PIR сензор – 2бр, Удължител за PIR сензор 5 м – 2бр, Инструкция EN – 1бр. |
| Гаранция | 2 Години |






Атанас Златаров –
Много добро, полезно и ефектно устройство.
Визията на стълбището, където го монтирах за управление на LED лентите под всяко стъпало, се получи страхотно. Благодаря ви!